Ford GAA Aluminum V8

brought to you by:  Dave Williams
This page: www.bacomatic.org/~dw/yore/gaa.htm
Main page: http://www.bacomatic.org/~dw/index.htm
Last Updated: 16 Jul 2003

Author: Dave Williams; dlwilliams=aristotle=net

The Ford GAA was designed for the US Army during WWII. It's an aluminum V8, with shaft driven double overhead camshafts, four valves per cylinder, and a whole load of features that are still modern today. The GAA was used in the M4A3 Sherman tank. Displacement was somewhere over 1000 CID.

Most of these images and comments come from Jim Davies [[email protected]], who first acquainted me with the GAA. Thanks Jim! Now if I could only find a couple of these things, I could certainly think of something interesting to do with them...

Click on the links for high-resolution images.


Ford GAA, side view
Jim Davies: It was about the physical size of a 462 MEL big block automobile engine and was conservatively rated at 500hp.

Ford GAA, reciprocating assembly
Jim Davies: ...included some copies from my M4 tank parts manual about the ford GAA V8. It certainly is a unique engine. It was manufactured at the Rouge in the magnesium casting plant and they made about 27,000 [I think this includes the later GAF from the M26] At the time it was made, the block was the largest aluminum casting in the world [it was one piece, not 3 like an allison or merlin V12] I saw a bare block in a scrap yard once, but was too poor to buy it. It had a triangulated pan rail and 2 bolt mains, like the Chrysler V16.

Ford GAA, cam drive
Jim Davies: Another cool idea is the combo valve guide and cam bucket holder. Apparently they made a few V12 examples at the end of the war. Of course, thats what it started out as which explains the 60 degree block angle.

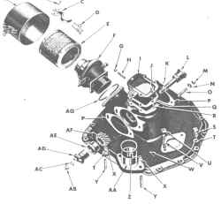
Ford GAA, cylinder head
Jim Davies: The valve guides were also the guides for the bucket-type cam followers, an idea I thought was pretty cool. Sure eased the machining problems on the cylinder heads, considering they used 4 valves per cylinder.

Ford GAA, cams and valvetrain
Jim Davies: I think the cam drive is very nice. No one else used a worm drive and the 2 worm wheels did a nice job of balancing things. Notice all the ball bearings in the cam drive front casting. They are all special #s in the parts book.

Ford GAA, cam drive detail


Ford GAA, cam drive


Ford GAA, cylinder head